由于尼龙66优良的耐热性、耐化学药品性、强度和加工方便等,因而在汽车工业代替钢铁得到了大量应用,目前几乎已能用于汽车的所有部位,如发动机部位,电器部位和车体部位。今天就让小编带着大家一起来看看尼龙66和它的生产工艺吧。
尼龙66简介
尼龙66疲劳强度和钢性较高,耐热性较好,摩擦系数低,耐磨性好,但吸湿性大,尺寸稳定性不够。通常应用于中等载荷,使用温度<100-120℃无润滑或少润滑条件下工作的耐磨受力传动零件。常制成圆柱状粒料,作塑料用的聚酰胺分子量一般为1.5万~2万。各种聚酰胺的共同特点是耐燃,抗张强度高(达104千帕),耐磨,电绝缘性好。
物理性能:
成型收缩率:PA6 0.8-2.5% ,PA66 1.5-2.2%
干燥条件:100-110℃/12小时
坚韧、耐磨、耐油、,耐水、抗酶菌、但吸水大
尼龙6:弹性好,冲击强度,吸水较大
尼龙66:性能优于尼龙6,强度高,耐磨性好
尼龙610:与尼龙66相似,但吸水小,刚度低
尼龙1010:半透明,吸水小。耐寒性较好。
尼龙66特点:
1.优良的力学性能。尼龙的机械强度高,韧性好。
2.自润性、耐摩擦性好。尼龙具有很好的自润性,摩擦系数小,从而,作为传动部件其使用寿命长。
3.弹性好,耐疲劳性好。可经得住数万次的双挠曲
4.耐腐蚀性能佳,不霉,不怕蛀,有耐碱的能力,但不耐酸和氧化剂
5.染色性能良好
6.相对密度小,仅为1.04-1.14,除聚烯烃纤维外,是纤维中最轻的
自熄级黑白色尼龙66原料
尼龙66反应原理
尼龙66盐的制备:
由二元酸和二元胺制取尼龙时,需要严格控制原料配比为等摩尔比,才能得到分子量较高的聚合物,因此,在生产中必须先把己二酸和己二胺混合制成尼龙66盐。
尼龙66盐的制备是分别把己二胺的乙醇溶液与己二酸的乙醇溶液在60℃以上的温度下搅拌混合,中和成盐后析出,经过滤、醇洗、干燥,最后配制成63%左右的水溶液,供缩聚使用。
尼龙66盐的缩聚需在高温下进行,伴随着水的脱除,生成线型高分子量尼龙66。
缩聚:
尼龙66盐的缩聚需在高温下进行,伴随着水的脱除,生成线型高分子量尼龙66。
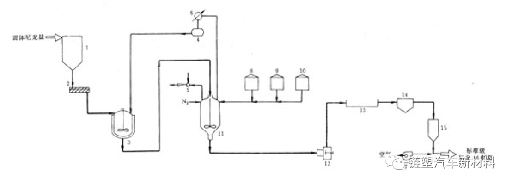
尼龙66的工艺流程
在工业上,制备尼龙66可采用间歇缩聚法和连续缩聚法。连续法适合大规模生产,世界上生产尼龙66主要采用连续法。间歇法仅在两种情况下采用:一是生产特殊或试验品级;二是在生产能力为4500tA 以下的小装置中。
间歇聚合:
主要设备:高压釜
通常把尼龙66盐配成50%~60%的水溶液,浓度高,反应速度快,但浓度太高在输送或贮存过程中会结晶。把配好的66盐水溶液加入反应釜,同时,还要加入分子量调节剂(一般为乙酸,也可为己二酸),用量根据所需尼龙66分子量大小而定。
高压釜
釜内温度一般控制在230℃左右,压力1.7~1.8MPa,保压时2h左右进行预缩聚使生成低分子量的聚合体。保压时间不能太长,否则会出现脱羟现象。
然后,逐步泄压,排出水蒸气,随着水分子不断排出,温度逐步提高、压力逐步下降,从1.8MPa下降到一定压力时,抽真空使压力达到0.1MPa左右,保持45min,温度控制在280℃以下,纺织热降解,排除水分进行最后缩聚。
缩聚反应完成后,将物料压出、铸带、切粒、干燥,得到尼龙66树脂。
尼龙66树脂制备间歇工艺流程图
连续聚合:
将已制备好的63%尼龙66盐水溶液和分子量调节剂乙酸和己二胺等,一起加人静态混合器混合后,输送至蒸发反应器,在温度232℃、压力1.8MPa下,保压3h。然后,将物料送到管式反应器,温度从230℃升到285℃,压力从1.7MPa逐步降至0.28bMPa左右,3h。最后,将物料送至后反应器,进行后缩聚反应。
制得聚合物压出铸带、切粒、干燥,得到标准级尼龙66树脂;也可将部分聚合物压人混合罐中,并加人其他添加剂,制成有色的或复合的各种尼龙66树脂。
尼龙66连续缩聚工序流程图
反应温度:
尼龙66盐的缩聚反应实际是在熔融状态下进行,因此反应的最初温度至少比尼龙66盐的熔点高10℃,宜控制在214℃左右,反应过程中为了提高分子活化能,加快反应速度,温度逐渐升高到后期的280℃左右,即高于聚合物熔点15℃左右。
反应压力:
单体己二胺的费电较低(196℃),为防止己二胺的挥发,反应初期压力选择1.72MPa左右。随着反应的进行,单体初步缩聚成预聚体后,除去反应体系中的水,进一步提高聚合物的相对分子质量。所以反应中后期将至常压乃至负压进行缩聚。
世界尼龙66发展现状
尼龙66于1939年实现工业化,被广泛应用于化纤和工程塑料领域,特别是近10年,世界的尼龙消费量以年均7.5%左右的速度递增,2012年全球尼龙66聚合物产量为216万吨,由于技术及投资门槛较高,呈现寡头垄断的市场格局,行业集中度较高。
尼龙66的生产技术、生产规模主要集中在美国、英国、法国、意大利、德国、日本、台湾等发达国家和地区,主要生产商有英威达、杜邦、首诺、罗地亚、巴斯夫、兰蒂奇、旭化成等。其中,生产规模最大的英威达公司约占全球尼龙66聚合物产能的40%,而产能前5位的公司占据全球80%以上的市场份额,行业前三强——英威达、罗地亚、首诺公司占据着全球垄断地位。
主要原料之一己二腈的先进生产技术目前被英威达、罗地亚等公司所控制,尤其是英威达几乎垄断了全球己二腈的贸易。而在当前全球经济增长最快的亚洲产能却严重不足,特别是中国成为全球己二腈、己二胺和切片的净输入地区。
就整个行业来看,尼龙66作为一个成熟产业,其需求增长基本与全球经济增长相一致,预计至2022年全球尼龙66产能年增长率为3.4%。
pa66美国杜邦71g33l
尼龙66在汽车上的运用
进气歧管:
进气歧管塑料化目的 , 除减轻重量 ( 减重 40 % ~450 %) 外 , 还由于塑料进气歧管内外表面光滑, 空气流动阻力小 , 从而提高燃油效率 , 改善发动机性能。此外在提高燃烧效率 , 降低油耗 , 降低噪声方面也起一定作用。塑料进气歧管能否全面推广应用 , 主要取决于能否开发出较简单的成型方法。其材料一般用PA66 + 30 % GF 制作。
电气部件:
制造汽车电气部件的塑料性能要求苛刻 , 它们不仅要有较高力学性能、耐热性及动、静载荷承受能力 ,同时还应具备电性能的安全性和耐燃性。汽车电气部件大致应用在电气配线、接插件、熔断器、保险盒、电线包覆、电线夹及固定卡套、接线柱、按钮、开关等。
车身、驱动控制部件:
PA 具有良好的耐冲击性和强度 , 在汽车车体部分主要用来制造车轮前后盖板、把手、门锁、安全带固定铰链、仪表板、挡泥板、遮光板夹具、座椅靠背的摆臂、齿轮等 , 其中车轮盖的 PA 用量约 2 kg/ 辆 , 是尼龙的一个大市场。但尼龙用作大型部件时 , 因吸水会引起尺寸变化或强度降低 , 不能充分保持部件的性能 ,这时需要对 PA 进行改性。
来源:链塑汽车新材料






