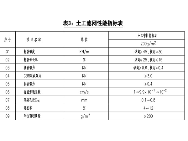
土工滤网200g

土工滤网200g
来源:兰州信建料业物资网 2026-04-10

  产品介绍:

  用于路基增强,使粒状填料与网格互相锁合在一起,形成稳定的平面,防止填料下陷,并可将垂直载荷分散,地理条件恶劣地区可采用多层增强。

  功能特点:

  1、防止路基裂痕,避免塌方。

  2、增强地基,堤坝坡度,提高路基稳定性,减少占地面积。

  3、可承受重载荷。

  4、缩短工程建设周期;土工网规格性能参数在恶劣环境条件下,也能施工。

  5、用于路面增强,使网格与路面材料融合在一起,可以有效的分散传递载荷,防止路面裂纹。


土工滤网200g(图1)

土工滤网200g(图2)



本文链接: https://www.lzxjlywz.comhttps://www.lzxjlywz.com/xinwendongtai/4985.html