公司动态

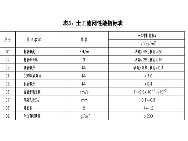
土工布克重解析|选型与应用全攻略
  • 公司动态

土工布克重解析|选型与应用全攻略

土工布克重是影响其性能和用途的重要指标,本文详解克重对土工布强度、透水性及耐腐蚀性的影响,帮助用户科学选择适合的土工布产品,提升工程应用效果。

查看详情
2026-04-08
液气密直播课回放攻略|会员免费观看指南
  • 公司动态

液气密直播课回放攻略|会员免费观看指南

机工科技2026液气密系列直播课提供回放功能,会员单位可免费观看全部课程,非会员可付费学习。课程涵盖核心技术、标准解读与实操应用,助力企业技术升级与人才培养,随时随地掌握行业前沿知识。

查看详情
2026-04-07
浙江省液气密协会五届理事会第五次全会召开|行业动态全攻略
  • 公司动态

浙江省液气密协会五届理事会第五次全会召开|行业动态全攻略

浙江省液气密协会五届理事会第五次全会召开,总结过往成果,规划未来发展,聚焦AI变革,推动行业高质量发展。会议强调加强会员队伍建设,拓展交流合作平台,提升协会影响力,助力创建世界级产业集群。

查看详情
2026-04-07
全国省级公路交通企业微信公众号影响力榜单更新|2026年第一季度排名揭晓
  • 公司动态

全国省级公路交通企业微信公众号影响力榜单更新|2026年第一季度排名揭晓

2026年第一季度全国省级公路交通企业微信公众号影响力榜单出炉,山东高速集团以866.3中路指数位居榜首,贵州交投首次跻身前三。榜单不仅反映企业传播力,也为行业公众号运营提供参考价值。

查看详情
2026-04-07
辽宁交投低空经济发展布局|国企新动向
  • 公司动态

辽宁交投低空经济发展布局|国企新动向

辽宁交投低空经济发展有限公司正式成立,成为辽宁交投集团布局交通新业态的重要力量。公司聚焦空域运营、平台开发、设施租赁及数据服务,推动低空经济产业协同发展,展现国企在新兴领域的战略投入与技术实力。

查看详情
2026-04-07
新疆交通运输厅副厅长鲁新虎分管多项重点工作|人事变动解读
  • 公司动态

新疆交通运输厅副厅长鲁新虎分管多项重点工作|人事变动解读

新疆维吾尔自治区交通运输厅新任副厅长鲁新虎分管多项关键领域,包括机关运转、交通强国建设、南疆发展支持、兵地融合及交通与产业融合等。其职责涵盖项目推进、财务管理和政策研究,对区域交通发展具有重要影响。

查看详情
2026-04-07
四川南充至大竹高速招标|投资超169亿元建设规划
  • 公司动态

四川南充至大竹高速招标|投资超169亿元建设规划

四川南充至大竹高速公路项目发布投资人招标公告,总投资超169亿元,采用BOT模式建设,旨在提升东向进出川通行能力,加强区域联系,助力川东北经济副中心发展。

查看详情
2026-04-07
刚果金大东方铁矿项目全攻略
  • 公司动态

刚果金大东方铁矿项目全攻略

刚果金大东方铁矿项目作为中刚合作旗舰,将打造连接印度洋与大西洋的战略走廊,推动刚果从铜钴依赖向铁矿多元化发展,提升资源本地加工能力,助力非洲经济转型与中非供应链深化。

查看详情
2026-04-07
全球首台千米级竖井掘进机突破技术瓶颈|深地工程利器
  • 公司动态

全球首台千米级竖井掘进机突破技术瓶颈|深地工程利器

《科技日报》报道全球首台千米级竖井硬岩全断面掘进机成功研发,攻克开挖、出渣、支护三大技术难题,为深地资源开发提供关键装备支持,提升施工效率与安全性。

查看详情
2026-04-07